找回密码
 注册
查看: 3519|回复: 3

【求助】圆柱体搅拌槽的网格的划分

[复制链接]
发表于 2010-1-5 22:54:30 | 显示全部楼层 |阅读模式

马上注册,结交更多好友,享用更多功能,让你轻松玩转社区。

您需要 登录 才可以下载或查看,没有账号?注册

x
两篇外文文献用Fluent计算的例子,都是关于搅拌槽的,我不清楚网格是怎么画的,想请教一下达人。
算例一:搅拌槽直径和高度均为15cm,作者采用周期性边界,只计算一半的搅拌槽。下图是搅拌槽的形状参数。

图1文献一的搅拌槽外形

图1文献一的搅拌槽外形



这是作者画的网格情况

图2网格数目

图2网格数目

*****此处为图2******

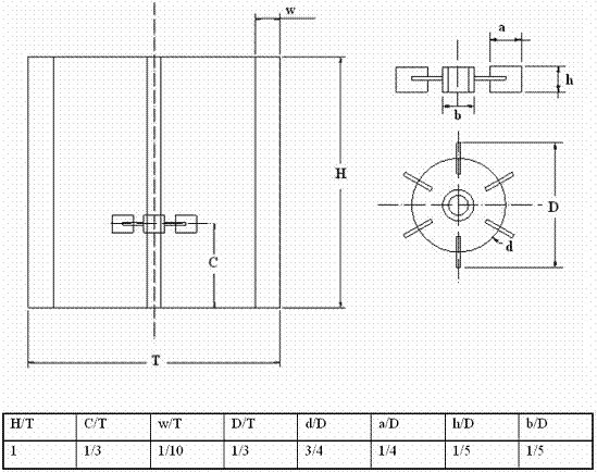
算例二:
这个搅拌槽的叶轮直径为5cm,宽度为0.5cm,叶轮距底部为4cm,挡板宽度为1cm,厚度为0.5cm

图3文献二搅拌槽外形

图3文献二搅拌槽外形


图4文献二作者划分的网格

图4文献二作者划分的网格

******此处为图3.4*****



作者声称在整个圆柱体内为非结构化的四面体网格,r-z-θ方向分别为31×144×100个节点,总共画有约451000个节点。
问题:r-z-θ三个方向的网格尺寸独立具体是怎么控制的?我在论坛上参照前辈的发帖,在gambit中将圆端面用线split,将面四等分得到逻辑三角形,可以控制半径和四分之一圆周上的间隔数目;再用线split侧面,可以控制z向的网格间距,再划分体网格,但老是与文献给出的网格总数对不上。看以上两位作者的描述,似乎他们并不是用我的这种方法,是不是有其他划分网格的方法?θ方向是代表圆周方向吗?谢谢!

[ 本帖最后由 likgo 于 2010-1-5 15:02 编辑 ]
发表于 2010-1-5 23:21:27 | 显示全部楼层
这样的结构可以画结构网格的啊。。。。
 楼主| 发表于 2010-1-6 11:36:19 | 显示全部楼层
这两篇文献的作者都是用MRF模型模拟搅拌槽内的流场,所画网格一是要考虑便于验证网格的独立性,二是必要时方便对叶轮和挡板附近网格加密,应该是要分区域画的。
现在想来可能他们是用叶轮轴将外柱体split,然后在内圆周和外柱体径向,轴向上分别确定网格尺寸,这个我下去再去试试
发表于 2011-2-14 17:32:07 | 显示全部楼层
该如何划这网格啊?
您需要登录后才可以回帖 登录 | 注册

本版积分规则

快速回复 返回顶部 返回列表